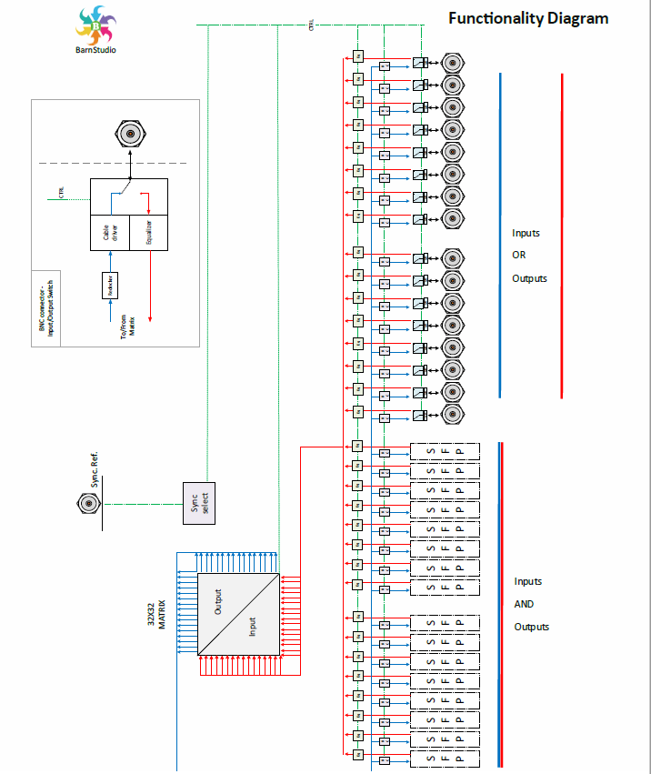
The BarnOne 41 Frame provide 16 SFP+ Ports/12G Capable. The BarnOne series of routers can provide a 32 x 32 built-in routing system with a combination of BNC and SFP I/O ports to satisfy any application.
Description
Analog Ports
- 8x balanced analog line inputs (DB25), individually configurable +18dBu/+24dBu (default setting: +18dBu)
- 8x balanced analog line outputs (DB25), individually configurable +18dBu/+24dBu (default setting: +18dBu)
A/D Converter
- THD -115dB
- SNR -115dB unweighted
- THD+N -108dB
D/A Converter
- SNR -115dB
- THD+N -107dB
MADI Ports
- 4x MADI (AES10) inputs internally connecting to main matrix
- 4x MADI (AES10) outputs internally connecting to main matrix
- Sample rate 44.1kHz/48kHz (1FS), 2FS supporting 88.2kHz/96kHz
- Synchronisation to one of the MADI ports or to internal clock 44.1kHz/48kHz
- Single channel routing for all MADI ports and analog I/O
- 8x bi-directional BNC ports
- 75 OHM BNC connector
- SMPTE 259M, 292M, 372M, 424M, DVB-ASI
- Multirate reclocking of outputs 270Mbit/s – 3Gbit/s
- Automatic cable EQ (Belden 1694A) 270Mbit/s-250m, 1.5Gbit/s-140m, 3Gbit/s-80m
- 16x fiberoptical ports (SFP), Duplex transcievers, LC/PC connectors
- SMPTE 259M, 292M, 372M, 424M, 297M, DVB-ASI
- Hot pluggable/swappable
- Singlemode and/or Multimode
- 16 CWDM wavelength selections – ITU-T G.694.2
- Multirate reclocking of outputs 270Mbit/s – 3Gbit/s
- 12V DC 120W. Power supply included
- Redundant power supply optional
- 445mm x 280mm x 43,5mm (17.5” x 11” x 1.7”)
- 3.8 kg
- BTF1-10AA
- BTF1-10AA frame, powersupply 12V DC, BarnStudio configuration and operation software
For years, Barnfind has been saving demanding customers rack space and money with the unique BarnOne concept. Our goal is to offer the most flexible and affordable infrastructure platform in the Video Business with the greenest technologies available at any time.
8/16 ch. CWDM Mux & Demux
Barnfind has a platform based on the universal SFP (Small Form Factor Pluggable) offerings and we accept all kinds of SFP manufacturers following the MSA standard. This means that we also allow the client to install other MSA SFP’s into the BarnOne in addition to those which we offer in our own portfolio. Why buy non-standard SFPs from other vendors which are proprietary and expensive with less flexibility?
World-class redundancy handling with auto-switching to any chosen input makes BarnOne one of the most comprehensive component for critical transmissions. You find Barnfind in most world-class championships for any sports.
With the technology we use you do not need hundreds of circuit boards anymore to achieve what we can using SFP’s! Reduce your hardware footprint from 3-6RU to the multifunctional 1RU BarnOne!
Many demanding clients around the world see Barnfind as “The Champion of Fiber Transport”. You can literally transport any signals in the BarnOne frames. Here are some main sales arguments for the BarnOne frames and why we have become very popular in the market place with sales to over 60 countries:
- A full 32 x 32 router in every BarnOne 1RU frame.
- Whatever signal that enters the system can be routed to any output, distributed, converted, monitored and analyzed.
- Advanced signal redundancy with auto-switching to any chosen input.
- The BarnOne series can be used as a fixed box or repurposed on the fly to meet any change in demand.
- Every SFP port is bi-directional.
- Every BNC port is input or output selectable.
- All output ports are re-clocked.
- We accept any MSA compliant SFP. NO “lock-in” to proprietary expensive single manufacturer made units.
- Multiple reference switching; the router can be portioned to switch different signal types on different references, both analog and digital reference.
- Powerful and simple upgrade path; Industry unique double CWDM capacity- HiLo System using existing CWDM infrastructure (unique Barnfind feature).
- BarnStudio software included in the BarnOne price. A simple and quick to learn control system where you are able to monitor and follow signal integrity through multiple nodes.
- Easily accessable through Web interface.
- Most 3rd party control systems: Ross openGear/DashBoard, Skyline/Dataminer, ScheduALL, LAWO/VSM, BFE/KSC, DNF Control, TSL, RASCULAR, Black Magic, Axon Cerebrum, SAM SW-P-08 etc. are integrated. It is easy to make tailor made custom panels and monitoring solutions.
- Rest assure that whatever signal format that is coming in the future will be integrated into the BarnOne platform. This makes the BarnOne platform “to be the best motorway to drive on, any cars in form of signal formats are welcome”.
- Highest density in the market; where other manufacturers use 3-5RU – Barnfind uses 1RU.
- Hot-swap optics ensures high reliability minimizing the need for maintenance windows and staff.
- The BarnOne platform supports numerous signals in one frame such as common video and telco formats including KVM, SDTI (e.g. EVS), SMPTE 2022-6, MADI, SDI to IP, Ethernet, 4K 60p workflows, HDMI, DVI, Serial, GPI/O, CVBS, CGL-CCU (including video, audio, tally, intercom, RCP) etc.
The best way to get to know our unique BarnOne series is to study our BarnGuide. Here you will find system examples and all the technical details you need to know about one of the world’s most popular fiber transport system that will be continuously developed to adopt to any future signal format.
Additional information
| FIBER MODE | CWDM, Single Mode |
|---|---|
| FIBER TYPE | 3G, 3rd Party Control, 4k60p Workflows, Built-in Router, CAM-CCU, Eithernet, GPI/O, HDMI, Intercom, KVM, MADI, Rack Style, RCP, SDI to IP, SDTI(EVS), Serial, SMPTE 2022-6, Tally, Throw-Down Brick, Web Interface |
| LIGHT WATT POWER | 1-100w |
Related products
-
Sale!


GL-ptz-110-20Z/my
The 110-MN series is a dedicated intelligent auto-tracking camera, with cutting-edge technology in the field of Education informatization. The 110-MN series is built-in with the high-speed processor, advanced image processing, and analysis algorithms to track lecturers and students accurately and quickly, which is in line with the requirements of lecturer capture and remote interactive teaching. The 110-MN series adopts advanced ISP technologies and algorithms, to make a vivid image quality, screen brightness uniformity, strong sense of depth, high-definition, and fantastic color rendition. As a stable, reliable and simple machine to operate, The 110-MN series has full function and high performance.Also it is easy to install and maintain.
-
Sale!

GL-KFM1650W/2ke/kn
- 3G/ HD/ 12 Bit Processing/ 10bit Panel/ View 178
- Res. 1920×1080/ +2inputs/ 3DLut-Factory
- Bright: 210cd/m2/ Contrast: 700:1/ Waveform/ Vectorscope/ Histogram/ PIP & PBP/Rail depth 15.35" (390mm)
- NO HDR / PIXEL MEASURE
-
Sale!

GL-KVM1760D(p3)/2k/kn
- 17" inch REFERENCE GRADE, LCD monitor under $3k Summer Intro Price
- DCI-P3, 3G/ HD 12 Bit Processing/ REFERENCE GRADE, True non-dithered 10bit Panel/ View 178
- Res. 1920×1080 / +2inputs/ 3DLut-User
- Bright: 450 nits Contrast: 1500:1/ Waveform/ Vectorscope/ Histogram/ PIP & PBP, 178 ° view angle
-
Sale!

GL-KVM1751W-1366/2k/kn
- 17" inch high-performance, LCD monitor
- 3G/ HD/ 12 Bit Processing/ 8bit Panel/ View 178
- Res. 1366×768 / +2inputs/ 3DLut-Factory
- Bright: 350cd/m2/ Contrast: 800:1/ Waveform/ Vectorscope/ Histogram/ PIP & PBP











